Hei.
Jeg har et lite prosjekt på gang og trenger mye power, jeg skal drive en slik motor: http://www.hobbyking.com/hobbyking/store/__7870__TGY_AerodriveXp_SK_Series_63_74_170Kv_3250 W.html
Og bruke 6x: http://www.hobbyking.com/hobbyking/store/uh_viewItem.asp?idProduct=9184
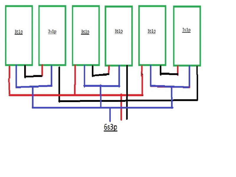
Spørsmålet mitt er: Batteriene skal bygges sammen til 1 batteripakke på entet 9s2p eller 6s3p, er det noen forskjell med tanke på driftstid på en ladning? batteriene må og kunne lades som ett batteri..
9s2p kan jeg jo bare bruke en lader som kan lade 9s batteri, jeg sliter bare med å finne en som ikke koster skjorta..
6s2p tenkte jeg å paralellkoble 2x3 batterier for så å seriekoble de to pakkene til en pakke.. går det da ann å lade batteriene bare gjennom balanseringskontakten? og bruke en 6s lader for å lage en adapterkabel fra 6s til 2x3s og 2stk kabler fra 3s til 3x3s i paralell..
Det som jeg er litt i stuss på er om det da vil skape problemer at jeg har koblet hovedkablene mellom de 2 3p pakkene i serie..
Tanker, forslag og svar blir godt mottatt
Jeg har et lite prosjekt på gang og trenger mye power, jeg skal drive en slik motor: http://www.hobbyking.com/hobbyking/store/__7870__TGY_AerodriveXp_SK_Series_63_74_170Kv_3250 W.html
Og bruke 6x: http://www.hobbyking.com/hobbyking/store/uh_viewItem.asp?idProduct=9184
Spørsmålet mitt er: Batteriene skal bygges sammen til 1 batteripakke på entet 9s2p eller 6s3p, er det noen forskjell med tanke på driftstid på en ladning? batteriene må og kunne lades som ett batteri..
9s2p kan jeg jo bare bruke en lader som kan lade 9s batteri, jeg sliter bare med å finne en som ikke koster skjorta..
6s2p tenkte jeg å paralellkoble 2x3 batterier for så å seriekoble de to pakkene til en pakke.. går det da ann å lade batteriene bare gjennom balanseringskontakten? og bruke en 6s lader for å lage en adapterkabel fra 6s til 2x3s og 2stk kabler fra 3s til 3x3s i paralell..
Det som jeg er litt i stuss på er om det da vil skape problemer at jeg har koblet hovedkablene mellom de 2 3p pakkene i serie..
Tanker, forslag og svar blir godt mottatt

Comment